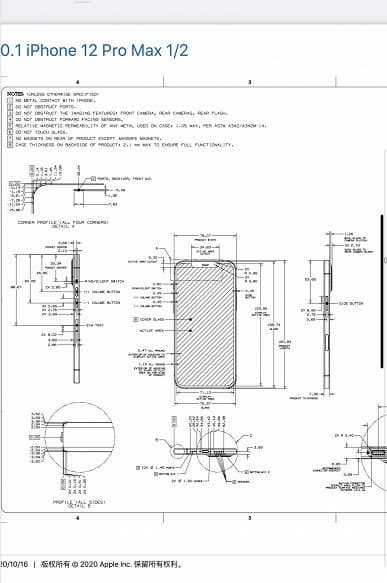
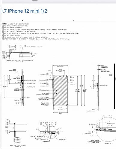
Известный сетевой информатор под ником Ice Universe, который часто делится эксклюзивной информацией о новинках мобильной индустрии, опубликовал чертежи iPhone 12 mini и iPhone 12 Pro Max.
Он заявил, что iPhone 12 mini получил самый маленький подбородок на рынке, ширина рамки составляет 3,27 мм. При этом у всех остальных смартфонов линейки (iPhone 12, iPhone 12 Pro и iPhone 12 Pro Max) ширина нижней рамки составляет 3,47 мм.
На самом деле, я знаю, что многих не волнует подбородок, но он демонстрирует степень упаковки экрана. У Apple в этом плане лучший уровень, но вскоре этот рекорд может побить следующий Samsung Galaxy.
Ice Universe


Сегодня мы также сообщали, что смартфоны iPhone 12 Pro и iPhone 12 Pro Max оказались популярнее iPhone 12 и iPhone 12 mini несмотря на завышенную цену. Кроме того, владельцы iPhone 12 жалуются на желтоватый экран, а Apple показала, какой след оставляет зарядка MagSafe на кожаном чехле для iPhone 12.
Источник: iXBT


