Уже вышедшие на рынок процессоры Intel Alder Lake оказались очень производительными, но и очень прожорливыми. Как минимум это касается топовых CPU. Следующее поколение под названием Raptor Lake может быть в этом вопросе намного лучше.
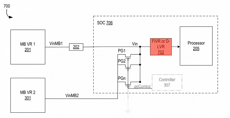
Ранее на дорожных картах Intel уже было обнаружено упоминание некой технологии DLVR, но теперь стало известно, что это. Это цифровой линейный регулятор напряжения (Digital Linear Voltage Regulator). Согласно патенту Intel, это дополнительный регулятор напряжения, размещаемый рядом с основным. Такое решение позволяет существенно снизить энергопотребление CPU.
В частности, DLVR может снизить напряжение на процессоре на 160 мВ, что приводит к снижению энергопотребления на 20-25%. При этом снижение энергопотребления на 21% позволяет добиться повышения производительности на 7%. Учитывая, что Raptor Lake якобы получат до 16 малых ядер вместо восьми у текущих CPU, какие-либо способы повышения энергоэффективности лишними явно не будут.
Источник: iXBT




